Битумная черепица RUFLEX
Производство материалов для кровли

Телефон: (069) 328-080
График работы: Пн-Сб с 9-00 до 17-00

  • Схема проезда
  • Карта сайта
  • Написать письмо

Регион:

  • Продукция
    • Каталог гибкой черепицы RUFLEX
    • Комплектующие
    • Сертификаты
    • Мягкая битумная черепица Ruflex
    • Рулонные битумные материалы
    • Производство - завод RUFLEX
  • Монтаж
    • Инструкции по монтажу черепицы RUFLEX
    • Видео
  • Энциклопедия
    • Азбука кровли
    • Инструкция по расчету
  • Полезное
    • Черный список компаний
    • Онлайн-сертификация менеджеров
    • ПРЕИМУЩЕСТВА ГИБКОЙ ЧЕРЕПИЦЫ RUFLEX
    • Дилерам
    • Строителям
  • Контакты
    • Схема проезда
  • 1. Каталог
  • 2. Подбор
  • 3. Точки продаж
  • Главная страница
  • Полезное
  • Строителям
  • "Кровельный пирог" и узлы кровли

"Кровельный пирог" и узлы кровли

На данной схеме представленное устройство кровельного пирога под мягкую черепицу.

Кровельный пирог

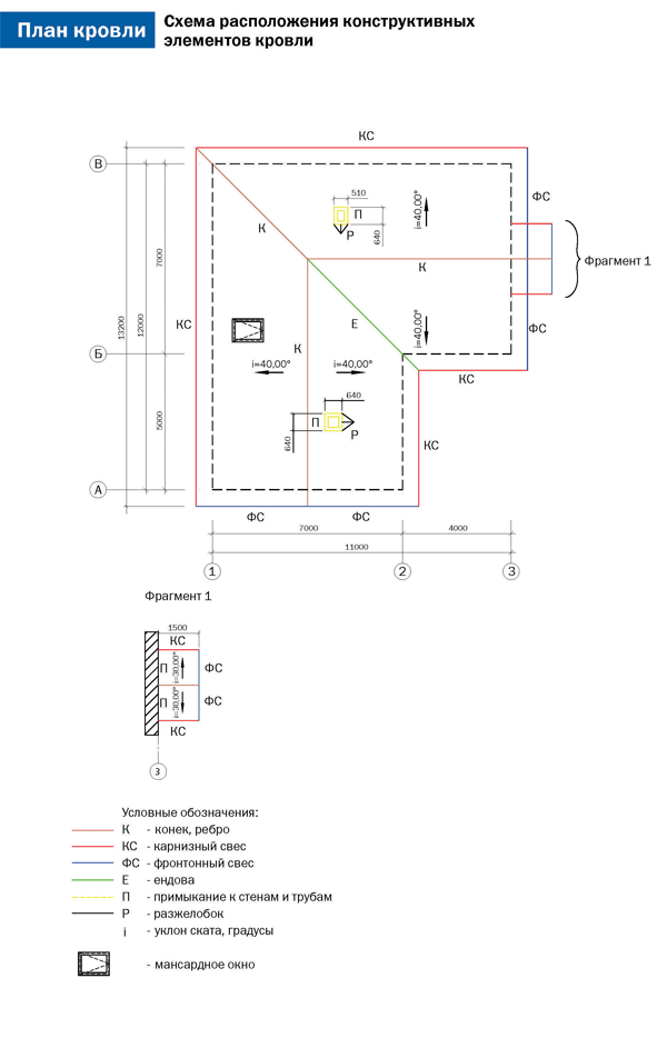
Схема расположения элементов кровли

Расположение слоев материалов в кровельном пироге

Схема кровельного пирога

Схема вентиляции подкровельного пространства

Примыкание кровли к дымовой трубе

Примыкание кровли к трубе кругшого сечения

Примыкание кровли к кирпичной стене

Конструкция карнизных свесов мансрдного этажа

Варианты установки водосточного желоба

Коньковые узлы крыши мансардного этажа

Коньковые узлы крыши мансардного этажа

Схема расположения мансардного окна в полости крыши

Полезное

  • Черный список компаний
  • Онлайн-сертификация менеджеров
  • ПРЕИМУЩЕСТВА ГИБКОЙ ЧЕРЕПИЦЫ RUFLEX
  • Дилерам
  • Строителям
    • Спецификация
    • Поэтапные планы кровли
    • "Кровельный пирог" и узлы кровли

© 2004-2015. Битумная черепица RUFLEX — совершенная кровля. Компания «REGAL» — Правовая информация.
тел.: (069) 328-080

Яндекс.Метрика